Nắp Rửa Điện Tử Washlet TOTO TCF23410AAA#NW1 Dòng C2
17.000.000 ₫ Giá gốc là: 17.000.000 ₫.14.275.800 ₫Giá hiện tại là: 14.275.800 ₫.
TÀI LIỆU MÔ TẢ SẢN PHẨM
THÔNG TIN MÔ TẢ SẢN PHẨM
Nắp Rửa Điện Tử Washlet TOTO TCF23410AAA (W16) C2 là một trong những sản phẩm mới của hãng thiết bị vệ sinh TOTO Nhật Bản. Đây hứa hẹn là một trong những sản phẩm chiến lược hàng đầu của TOTO trong phân khúc nắp điện tử cao cấp.
Thông tin cơ bản nắp rửa điện tử TOTO TCF23410AAA (W16)
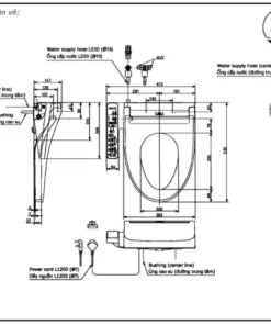
Kích thước: 472D x 530W x 147H mm
Màu sắc: Trắng
Thiết kế: Thân dài
Bảng điều khiển liền nắp
Áp lực nước: 0.05 ~ 0.75 MPa
Nguồn điện: 220V, 50/60Hz phù hợp hầu hết với các gia đình tại Việt Nam hiện nay
Xuất xứ: Malaysia
Bảo hành: 2 năm
Những tính năng nổi trội của nắp rửa bồn cầu TOTO Washlet TCF23410AAA (W16)
Dễ dàng điều khiển bên hông tiện lợi
Tính năng Phun sương lòng bàn cầu
Vòi rửa massage đa chức năng, rửa sạch, êm ái
Tự vệ sinh vòi rửa trước và sau khi sử dụng bằng nước điện phân EWATER+
Tính năng Sấy khô, khử mùi, sưởi ấm nắp ngồi
Tiết kiệm điện năng tối đa khi sử dụng
Sản phẩm phù hợp với nhiều loại bồn cầu TOTO khác nhau. Để có thể được tư vấn tốt nhất cho chiếc bồn cầu của mình có thể liên hệ ngay với Khánh Trang Home.
Xem thêm bảng vẽ kỹ thuật của nắp rửa này

Xem thêm hướng dẫn sử dụng nắp bồn cầu điện tử này tại đây
Để được tư vấn kỹ càng hơn về cách lựa chọn cho mình các sản phẩm của TOTO quý khách hàng có thể liên hệ ngay với Khánh Trang Home – Hệ thống showroom thiết bị vệ sinh và nhà bếp số 1 Việt Nam hiện nay qua hotline 1900571590. Hoặc quý khách hàng có thể đến trải nghiệm tại các cửa hàng Khánh Trang Home gần nhất.
Không có bình luận nào
Bài viết về sản phẩm này
Bài viết đang được cập nhật.







 
				


 
				 
				 
				 
				 
				 
 
 
Chưa có đánh giá nào.